Шафа низьковольтна ввідна РУ 0,4 кВ
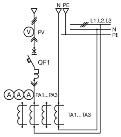
Шафа низьковольтна ввідна призначена для підключення силових вводів і передачі електроенергії на секції і вивідні лінії. Укомплектована пристроями контролю і вимірювання. За замовчуванням НКРУ-0,4 кВ комплектується аналоговими вольтметрами і амперметрами, за запитом можливо комплектування мікропроцесорним мультиметром (V, A, F, S, P, Q, cosφ, гармоніки) з можливістю передачі даних по цифровому каналу.
У шафі може бути зібрана схема АВР з самоповерненням або без самоповернення в початкове положення. Стандартно схема АВР виконана на реле. Можливо виготовлення схеми АВР на мікропроцесорних блоках.
Загальний вигляд і габаритні розміри, мм

Схеми головних кіл керування шаф РУНН

| Тип | Тип вимикача | Номінальний струм розчеплювача викл., А | Номінальний струм трансформатора струму, А | Струм термічної стійкості збірних шин протягом 1 с, кА | Габаритні розміри (ВхШхГ), мм | Ввід |
|---|---|---|---|---|---|---|
| EU-ШНВ-1.16.1-2b-УЗ | S400N | 400 | 400/5 | 50 | 2100х400х400 | Шинопровод або кабель |
| EU-ШНВ-1.17.1-2b-УЗ | S630CE | 630 | 600/5 | 50 | 2100х400х400 | |
| EU-ШНВ-3.18.1-2b-УЗ | AR208S | 800 | 800/5 | 65 | 2100х800х800 | |
| EU-ШНВ-3.19.1-2b-УЗ | AR212S | 1250 | 1200/5 | 65 | 2100х800х800 | |
| EU-ШНВ-3.20.1-2b-УЗ | AR216S | 1600 | 1500/5 | 65 | 2100х800х800 | |
| EU-ШНВ-3.21.1-2b-УЗ | AR220S | 2000 | 2000/5 | 65 | 2100х800х800 | |
| EU-ШНВ-3.22.1-2b-УЗ | AR325S | 2500 | 2500/5 | 85 | 2100х800х800 | |
| EU-ШНВ-3.23.1-2b-УЗ | AR325S | 3200 | 3000/5 | 85 | 2100х800х800 | |
| EU-ШНВ-3.24.1-2b-УЗ | AR440S | 4000 | 4000/5 | 100 | 2100х800х800 | |
| EU-ШНВ-3.25.1-2b-УЗ | AR663S | 6300 | 6000/5 | 120 | 2100х1400х1000 |
типи шаф, відсутні в таблиці, розглядаються за запитом
Є можливість організації технічного і комерційного обліку.
Тип комутаційних апаратів:
- Висувні або втичні виконання
- З моторизованим приводом або без нього