Силові трансформатори
Представляємо продукцію італійської компанії TRAFO ELETTRO SERVICE. Заснована в 1969 році, TRAFO ELETTRO SERVICE забезпечує високий рівень якості. Багатий досвід компанії дозволяє виробляти щорічно більше 1500 трансформаторів середньої потужністю 2000 кВА.
TRAFO ELETTRO SERVICE може запропонувати широкий модельний ряд трансформаторів:
Маслонаповнені трансформатори з мінеральною або силіконовою оливою на номінальні потужності від 25 до 20 000 кВА з класом напруги від 1,1 до 72,5 кВ
Сухі трансформатори з литою ізоляцією від 25 до 15 000 кВА
Всі трансформатори виробляються відповідно до діючих стандартів для класів E2-C2-F1, згідно з характеристиками установок в частині вологості, забруднень, виділення токсичних викидів або можливості загоряння.
За цими критеріями сухі трансформатори TRAFO ELETTRO підходять для наступних областей застосування - прокатні стани, ливарні цехи, нафтопереробні заводи, плавучі платформи, шахти, метрополітен, залізні дороги і т.д.
Загальні характеристики
Номінальна потужність: 100-3150 кВA
Номінальна напруга HV: 6-35 кВ
Номінальна напруга LV: 400 В
Частота: 50 Гц
Схема з'єднання обмоток: D / Yn 11
Напруга к.з .: 4%, 6%
Струм холостого ходу: 0,7-2,2%
Рівень шуму: 51-81 дБ(А)
Клас ізоляції: F/F
Ступінь захисту: IP00 (без кожуха), IP31 (в мет. кожусі)
Робоча температура: +25...+ 40 ° С
Тести і випробування: тепловий удар (клас С2), конденсація і вологість (клас Е2), вогнестійкість (клас F1)
Технічні дані
| кВа | Uk% | Po (B) | Рк (В) | Io,% | Рівень звукової потужності LWA | Рівень звукового тиску LPA | I,kA | |
|---|---|---|---|---|---|---|---|---|
| 120є | 75є | |||||||
| 100 | 6 | 380 | 2600 | 2100 | 1,8 | 59 | 46 | 2,4 |
| 160 | 6 | 530 | 3600 | 3000 | 1,7 | 62 | 49 | 3,8 |
| 200 | 6 | 600 | 3800 | 3200 | 1,5 | 63 | 50 | 4,8 |
| 250 | 6 | 770 | 4500 | 3900 | 1,5 | 65 | 52 | 6 |
| 315 | 6 | 800 | 4900 | 4300 | 1,4 | 67 | 53 | 7,6 |
| 400 | 6 | 900 | 5500 | 4800 | 1,3 | 68 | 53 | 9,6 |
| 500 | 6 | 1150 | 6700 | 5800 | 1,2 | 69 | 54 | 12 |
| 630 | 6 | 1400 | 7500 | 6500 | 1,2 | 70 | 55 | 15,2 |
| 800 | 6 | 1600 | 9000 | 7800 | 1,1 | 71 | 57 | 19,2 |
| 1000 | 6,5 | 2000 | 10300 | 8900 | 1 | 73 | 58 | 22,2 |
| 1250 | 6,5 | 2200 | 12500 | 10800 | 1 | 74 | 60 | 27,8 |
| 1600 | 7 | 2700 | 16000 | 14000 | 0,9 | 76 | 61 | 33 |
| 2000 | 7 | 3200 | 18500 | 17000 | 0,9 | 79 | 62 | 41,2 |
| 2500 | 7 | 3900 | 21000 | 18500 | 0,8 | 81 | 64 | 51,2 |
| 3150 | 7 | 4600 | 28000 | 24500 | 0,7 | 82 | 65 | 65 |
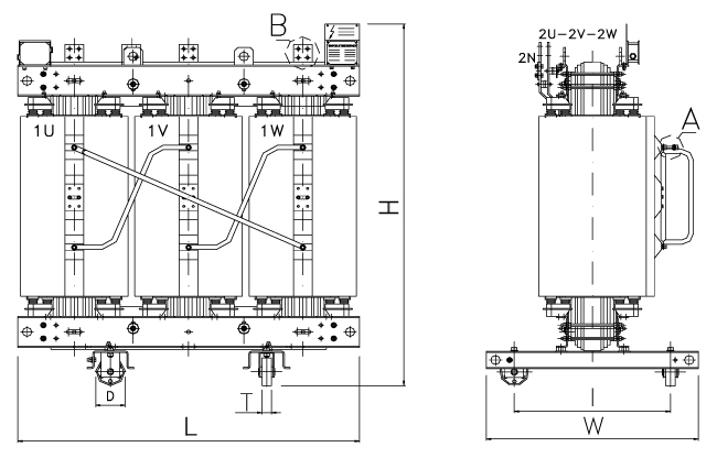
Розміри і маса:
| Потужність, кВА | 100 | 160 | 200 | 250 | 315 | 400 | 500 | 630 | 800 | 1000 | 1250 | 1600 | 2000 | 2500 | 3150 |
|---|---|---|---|---|---|---|---|---|---|---|---|---|---|---|---|
| Трансформатор IP00 | |||||||||||||||
| L, мм | 950 | 1180 | 1180 | 1180 | 1180 | 1340 | 1340 | 1340 | 1500 | 1500 | 1620 | 1690 | 1800 | 2000 | 2150 |
| W, мм | 760 | 760 | 760 | 760 | 760 | 760 | 760 | 760 | 910 | 910 | 910 | 910 | 1220 | 1310 | 1310 |
| H, мм | 1060 | 1200 | 1320 | 1330 | 1390 | 1490 | 1550 | 1630 | 1700 | 1840 | 1890 | 1950 | 2200 | 2170 | 2250 |
| I, мм | 520 | 520 | 520 | 670 | 670 | 670 | 670 | 670 | 820 | 820 | 820 | 820 | 1070 | 1070 | 1070 |
| D, мм | 100 | 100 | 100 | 100 | 125 | 125 | 125 | 125 | 125 | 125 | 150 | 150 | 200 | 200 | 200 |
| T, мм | 40 | 40 | 40 | 40 | 40 | 40 | 40 | 40 | 40 | 40 | 60 | 60 | 70 | 70 | 70 |
| Маса, кг | 550 | 700 | 800 | 950 | 1000 | 1200 | 1400 | 1650 | 2050 | 2350 | 2700 | 3350 | 3900 | 4600 | 5500 |
| Металевий кожух IP21-31 | |||||||||||||||
| L, мм | 1970 | 1970 | 1970 | 1970 | 1970 | 1970 | 2150 | 2150 | 2150 | 2470 | 2470 | 2470 | 2470 | 2570 | 2570 |
| W1, мм | 1040 | 1040 | 1040 | 1040 | 1040 | 1040 | 1190 | 1190 | 1190 | 1350 | 1350 | 1350 | 1350 | 1440 | 1440 |
| H1, мм | 1690 | 1690 | 1690 | 1690 | 1690 | 1690 | 1990 | 1990 | 1990 | 2400 | 2400 | 2400 | 2400 | 2470 | 2470 |
| I1, мм | 670 | 670 | 670 | 670 | 670 | 670 | 670 | 670 | 670 | 820 | 820 | 820 | 1070 | 1070 | 1070 |
| Маса, кг | 250 | 250 | 250 | 250 | 250 | 250 | 290 | 290 | 290 | 380 | 380 | 380 | 380 | 400 | 400 |
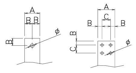
| Габарити виводів НН/ВН | |||||||||||||||
| A, мм | 50 | 80 | 100 | 120 | |||||||||||
| B, мм | 25 | 20 | 25 | 30 | |||||||||||
| C, мм | / | / | / | / | / | / | 40 | 50 | 60 | ||||||
| Ø, мм | 17 | 17 | |||||||||||||
| M, мм | 12 | 16 | |||||||||||||

Трансформатори

Кожух для сухого трансформатора

Виводи низької напруги
Трансформатори, автотрансформатори та реактори для спеціальних застосувань
TRAFO ELETTRO SERVICE виробляє автотрансформатори, реактори і заземлюючі трансформатори різних типів відповідно до запиту клієнта. Автотрансформатори можуть бути маслонаповненими або сухими, з номінальними потужностями від 5 до 30 000 кВА. Реактори, як і автотрансформатори, можуть бути сухими або маслонаповненими.
Стандартна продукція TRAFO ELETTRO - струмообмежуючі реактори з заземленою нейтральною точкою і згладжувальні реактори з лінійкою номіналів від 5 ВАр до 20 000 кВАр.